Токарно-винторезный станок 16В20

Токарный станок 16В20 - универсальное технологическое металлорежущее оборудование, используемое на ремонтных и других металлообрабатывающих предприятиях.
На токарно-винторезном станке 16В20 выполняют разнообразные токарные работы, в основном обработку поверхностей деталей, а также нарезание резьб: метрических, дюймовых, модульных и питчевых. Можно обрабатывать заготовки цилиндрической и конической формы диаметром до 445 мм и длиной до 750 мм. Предназначен для нужд предприятий всех отраслей промышленности.
Точностные характеристики соответствуют классу точности "Н" по ГОСТ 8-82. Станок аттестован на сертификат качества по безопасным условиям труда.
Станки имеют конструкцию оборудования, которая обеспечивает простоту и удобство в эксплуатации. Наличие автоматической системы смазки коробки передач и подач, фартука.
Исполнение климатическое — УХЛ4 по ГОСТ 15150—69.
Токарно-винторезный станок 16В20 дополнительно может быть укомплектован люнетами, планшайбой и быстро изнашиваемыми деталями и узлами.
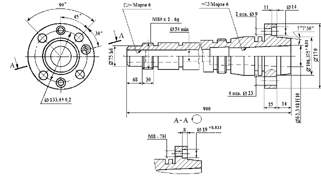
Основные элементы токарного станка 16В20 изготовлены из стали высоко качества. Станина с калёными, шлифованными направляющими – обеспечивает необходимую жёсткость.
| Параметр | Значение |
|
|---|---|---|
| Диаметр отверстия в шпинделя, мм | 54 |
|
| Количество скоростей шпинделя | 24 |
|
| Размер внутреннего конуса в шпинделе | Морзе 6 (7032-0043) |
|
| Расстояние между центрами, мм | 750 |
|
| Количество подач | 50 |
|
| Ход пиноли, мм | 150 |
|
| Конус пиноли | Морзе 5 |
|
| Диаметр пиноли, мм | 75 |
|
| Наибольший диаметр обрабатываемого изделия, мм | над станиной | 445 |
| над суппортом | 220 |
|
| Наибольшая длина обрабатываемого изделия, мм | 1000 |
|
| Частота вращения шпинделя, об/мин | 10...1400 |
|
| Пределы рабочих подач суппорта | продольных, мм/об | 0,036...22,4 |
| поперечных, мм/мин | 0,018...11,2 |
|
| Пределы шагов нарезаемых резьб | метрических ,мм | 0,5...224 |
| модульных, мм | 0,5...224 |
|
| дюймовых, ниток на дюйм | 77...0,125 |
|
| питчевых, дюйм | 77...0,125 |
|
| Мощность электродвигателя главного привода, кВт | 7,5 |
|
| Мощность электродвигателя насоса охлаждения, кВт | 0,12 |
|
| Предохранитель от перегрузки | есть |
|
| Блокировка продольных и поперечных подач | есть |
|
| Выключающие продольные упоры | есть |
|
| Габаритные размеры, мм | 2800х1190х1450 |
|
| Масса, кг | 2370 |
|
Жесткая конструкция станка, надежные механизмы, достаточная мощность двигателей приводов (7,5 кВт), а также широкий диапазон оборотов шпинделя (10-1400 об/мин) позволяют с высокими скоростями резания обрабатывать детали из материалов различной твердости - обычных и легированных сталей, чугуна, цветных металлов и сплавов, пластмасс с использованием резцов из инструментальной стали и твердосплавных материалов.
Область применения данного оборудования: предприятия всех отраслей промышленности, сельского хозяйства, фермерских хозяйствах и малых предприятиях индивидуальной деятельности.
Примененная на заводе поточная технология производства станков по всем показателям соответствует технологии Минстанкопрома, а в части обработки шлицевых соединений превосходит её, за счет освоения на заводе центрирования по внутреннему диаметру, производится термообработка шлицев на всех валиках с последующим шлифованием. Термообработка зубьев шестерён повышает стабильность точностных характеристик, снижение шума и повышение надежности и долговечности.
Комплектация станка 16В20:
- сменные части (зубчатое колесо)
- запасные части (накладка)
- ключ к электрошкафу, ключ к резцедержателю, ключ для запирания вводного выключателя
- масленка МЖС ШМАИ
- руководство по эксплуатации
Посадочные и присоединительные базы 16В20. Станина
Посадочные и присоединительные базы. Шпиндель 16В20
